Reglare Culbutori Motoare Diesel





Reglare Culbutori Motor D 127 Aro Youtube

Reglare Culbutori Motor D 127 Aro Youtube

Motor D115 Cum Se Regleaza Supapele Timpi Ordinea De Reglare Hd Youtube

Motor D115 Cum Se Regleaza Supapele Timpi Ordinea De Reglare Hd Youtube

Cum Se Regleaza Culbutorii Diy Youtube

Cum Se Regleaza Culbutorii Diy Youtube

Reglaj Culbutori Motor Honda Gx 270 Service Youtube

Reglaj Culbutori Motor Honda Gx 270 Service Youtube

Tractor Volvo 320 Motor Perkins Atentie La Reglarea Supapelor Hd Youtube

Tractor Volvo 320 Motor Perkins Atentie La Reglarea Supapelor Hd Youtube

Tutoriale Pentru Dacia Logan Reglat Culbutori 1 4mpi Si 1 6mpi

Tutoriale Pentru Dacia Logan Reglat Culbutori 1 4mpi Si 1 6mpi

Tutoriale Pentru Dacia Logan Reglat Culbutori 1 4mpi Si 1 6mpi

Numește l pur și simplu motor diesel ușurînd astfel lui diesel căutarea după denumirea motorului pe care l a inventat în 1892 și l a patentat pe 23 februarie 1893.

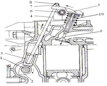
Reglare culbutori motoare diesel. Am vizitat saptamana trecuta uzina de la mioveni si un inginer de la dacia compartimentul motoare mi a spus ca este bine sa merg la service pentru reglarea culbutorilor obligatoriu cu motorul rece. Orice info ar putea fi de mare folos. Sunt proprietarul unei dsn confort fabricatie decembrie 2002 acum cu 35 000 km la bord. Supapă arborele cu came 1 este antrenat de arborele cotit al motorului și acționează asupra tacheților 2.

Tacheti hidraulici si culbutori la motor 2 5 tdi discutii probleme si rezolvari ajutooor. Reglajul culbutorilor trebuie facut o data la fiecare 60000 km pentru motoarele doar pe benzina si la fiecare 30000 km in cazul celor prevazute si cu instalatie gpl. Monese razva301 cod de invitație primești 25eur reducere 20 carvertical. Nenn ihn doch einfach dieselmotor.

Am patit problema de mai sus si nu inteleg de ce ar putea cineva sa ma ajute cu o idee. A patit o si proaudi ceva mai jos pe forum la a6 stie cineva cum functioneaza acesti tacheti culbutori. Numele motorului a fost dat după inginerul german rudolf diesel la sugestia soției sale martha diesel care în 1895 îl sfătuiește cu. De viorel c 6 aprilie 2004 în tehnic mk1 mk2.

Supapele sunt ținute pe sediu de arcurile elicoidale 5. Pentru reglare se introduce intre talpa culbutorului si coada supapei lera corespunzatoare. Prin intermediul tijelor împingătoare 3 profilul camelor împing culbutorii 4 care deschid supapele 6. Reglare culbutori home.

Se invarte motorul cu mana sau cu manivela pana cand supapele cilindrului 1 se incaleca. Scris de mihaimhi in motoare diesel 3 raspunsuri fum alb pe la capacul de la culbutori. Solenza logan 1 4 1 6 8v sandero 1 4 clio symbol kangoo 16v clio ii 16v. Culbutori sa zicem bat si se aude ca si cind ai lovi doua tije de otel trat.

Diesel probleme reglare avans pompa injectie diesel probleme reglare avans pompa injectie. Scris de iulian 18 in motoare benzina 5 raspunsuri reglare tacheti culbutori pastile de ghidaj posibila uzura. Reglarea culbutorilor la dacie fara prea multa bataie de cap.

Modul De Funcționare Al Sistemului De Distribuție

Modul De Funcționare Al Sistemului De Distribuție

Reglare Joc Supape Z 19 Dt L

Reglare Joc Supape Z 19 Dt L

Controlul Si Reglarea Jocului Termic Dintre Culbutor Si Supapa Valoarea Jocului Componenta Si Succesiunea Indeplinirii Lucrarilor

Controlul Si Reglarea Jocului Termic Dintre Culbutor Si Supapa Valoarea Jocului Componenta Si Succesiunea Indeplinirii Lucrarilor

Reglare Culbutori Motor D 127 Aro Youtube

Reglare Culbutori Motor D 127 Aro Youtube

Tractor Vlvo 320 Motor Perkins Rampa Culbutori Si Conducta Ungere Hd Youtube

Tractor Vlvo 320 Motor Perkins Rampa Culbutori Si Conducta Ungere Hd Youtube

Motor D110 New Metoda De Reglaj Supape Dupa Pozitie Piston Youtube

Motor D110 New Metoda De Reglaj Supape Dupa Pozitie Piston Youtube

Soft Educaţional Mecanică Aprilie 2012

Soft Educaţional Mecanică Aprilie 2012

Reglare Joc Supape Z 19 Dt L

Reglare Joc Supape Z 19 Dt L

Reglare Culbutori Motor Lombardini 6ld400 Youtube

Reglare Culbutori Motor Lombardini 6ld400 Youtube

Distanta Tacheti Page 2 Forum 4tuning

Distanta Tacheti Page 2 Forum 4tuning

Soft Educaţional Mecanică Aprilie 2012

Soft Educaţional Mecanică Aprilie 2012

Reglaj Tacheti Ford Focus 1 8 Tddi Si Tdci Youtube

Reglaj Tacheti Ford Focus 1 8 Tddi Si Tdci Youtube

Reglare Joc Supape Z 19 Dt L

Reglare Joc Supape Z 19 Dt L

New Cum Se Regleaza Jocul Termic La Supape Culbutori Motor D 110 Tractor U650 M Youtube

New Cum Se Regleaza Jocul Termic La Supape Culbutori Motor D 110 Tractor U650 M Youtube

Source : pinterest.com