Raspberry Pi 3 B Case Dimensions





Introducing The Raspberry Pi 3 B Single Board Computer Raspberry Pi Spy

Introducing The Raspberry Pi 3 B Single Board Computer Raspberry Pi Spy

Amazon Com Sb Components Raspberry Pi 3 Model B Transparent Case Access To All Ports Computers Accessories

Amazon Com Sb Components Raspberry Pi 3 Model B Transparent Case Access To All Ports Computers Accessories

Lukse Lt Solid Aluminium Black Anodized Raspberry B Case

Lukse Lt Solid Aluminium Black Anodized Raspberry B Case

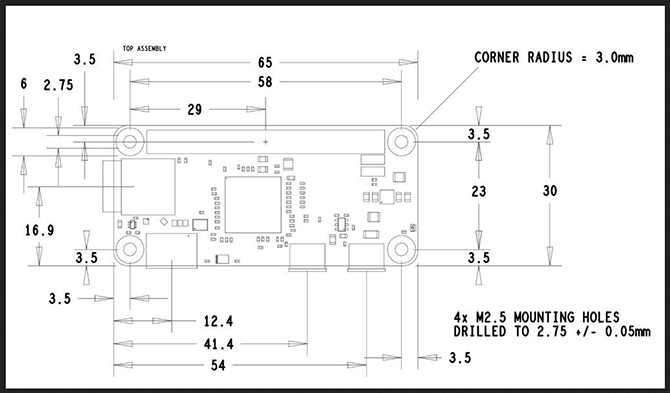
Mechanical Drawings Raspberry Pi Documentation

Mechanical Drawings Raspberry Pi Documentation

Clear Case For Raspberry Pi 4 Only On Sb Components Raspberry Pi 4 Protective Case

Clear Case For Raspberry Pi 4 Only On Sb Components Raspberry Pi 4 Protective Case

How To 3d Print Your Own Raspberry Pi 3 Model A Case Tutorial Australia

How To 3d Print Your Own Raspberry Pi 3 Model A Case Tutorial Australia

How To 3d Print Your Own Raspberry Pi 3 Model A Case Tutorial Australia

1 4ghz 64 bit quad core processor dual band wireless lan bluetooth 4 2 ble faster ethernet and power over ethernet support with separate poe hat.

Raspberry pi 3 b case dimensions. The final revision of our third generation single board computer. Case gpio lid. 2258 it took awhile to perfect but that s okay since we can now safely say that the adafruit case for raspberry pi model b pi 2 pi 3 is the single greatest raspberry pi model b case ever this enclosure nbsp was designed by mike doell just like our. Case blank lid.

A new version of the raspberry pi 3 model b has released and it is incredible update over the older model. The raspberry pi 3 features the same 40 pin general purpose input output gpio header as all the pis going back to the model b and model a. Compare this to the raspberry pi 3 benchmarks. Raspberry pi 3 model b.

Raspberry pi model b. Raspberry pi 1 models a and b have only the first 26 pins. In the pi zero and zero w the 40 gpio pins are unpopulated having the through holes exposed for soldering instead. Although it s the same underlying design as its predecessor the new raspberry pi 3b s bcm2837 system on chip soc features improved packaging alongside a heat spreader which have helped boost its performance from 1 2ghz to 1 4ghz.

Here are the complete specs for updated 64 bit credit card size computer. Adafruit industries unique fun diy electronics and kits adafruit raspberry pi b pi 2 pi 3 case smoke base w clear top id. Thinking of purchasing a raspberry pi 3 model to fit a custom case. Raspberry pi 1 models a and b pi 2 model b pi 3 models a b and b pi 4 and pi zero zero w and zero wh gpio j8 have a 40 pin pinout.

Need to know if the raspberry pi 3 model b and raspberry pi 3 model b have the same dimensions. Raspberry pi 3a also applicable to the a. Any existing gpio hardware will work without modification. Case camera lid.

Just over two years ago i got raspberry pi 3 model b it was my first 64 bit arm board. Raspberry pi 3b board pdf. Raspberry pi zero v1 2 board. It came with 64 bit cpu.

One possible alternative is the 25 orange pi lite2 which has similar specs to the more expensive raspberry pi 3 model b with the same memory a 64 bit quad core processor reasonable gpu 1gb.

All Raspberry Pi Products Dimension Drawings Ras Pi World

All Raspberry Pi Products Dimension Drawings Ras Pi World

Raspberry Pi 3 Model B Clear Case Wiltronics

Raspberry Pi 3 Model B Clear Case Wiltronics

Modmypi Vesa Pi Raspberry Pi B 2 3 3b Vesa Case Australia

Modmypi Vesa Pi Raspberry Pi B 2 3 3b Vesa Case Australia

Raspberry Pi Mechanical Drawings Dimensions Raspberry Pi Spy

Raspberry Pi Mechanical Drawings Dimensions Raspberry Pi Spy

Raspberry Pi 3 Model B Plus B Bulk Purchase

Raspberry Pi 3 Model B Plus B Bulk Purchase

Raspberry Pi 3 Model B Dfrobot Mouser

Raspberry Pi 3 Model B Dfrobot Mouser

Amazon Com Iuniker Raspberry Pi 4 Case Raspberry Pi 4b Case With Fan Raspberry Pi Fan Case With Raspberry Pi 4 Heatsink Raspberry Pi Heatsink For Raspberry Pi 4 Model B Pi 3b Pi

Amazon Com Iuniker Raspberry Pi 4 Case Raspberry Pi 4b Case With Fan Raspberry Pi Fan Case With Raspberry Pi 4 Heatsink Raspberry Pi Heatsink For Raspberry Pi 4 Model B Pi 3b Pi

Mounting Holes Introducing The Raspberry Pi Model B Adafruit Learning System

Mounting Holes Introducing The Raspberry Pi Model B Adafruit Learning System

Rpi 3b Rpi 3 Case Rw Raspberry Pi 3 Model B With Case Raspberry Pi

Rpi 3b Rpi 3 Case Rw Raspberry Pi 3 Model B With Case Raspberry Pi

Raspberry Pi 3 Model B Enclosure Official Australia

Raspberry Pi 3 Model B Enclosure Official Australia

18 Interesting Diy Raspberry Pi Case Ideas Makeuseof

18 Interesting Diy Raspberry Pi Case Ideas Makeuseof

Jual Official Raspberry Pi 3 Case Jakarta Pusat Itisriski Tokopedia

Jual Official Raspberry Pi 3 Case Jakarta Pusat Itisriski Tokopedia

Case Raspberry Pi 3 2 B Offical Enclosure Red White

Case Raspberry Pi 3 2 B Offical Enclosure Red White

Amazon Com Enokay Case For Raspberry Pi 2 Model B Raspberry Pi 3 Model B B Transparent Computers Accessories

Amazon Com Enokay Case For Raspberry Pi 2 Model B Raspberry Pi 3 Model B B Transparent Computers Accessories

Source : pinterest.com